ステートマシンなどのデザインパターンを使うと、列挙体がとても便利です。
完成したVIの完成図書などを作る時に、後から項目名の一覧表が必要な場合があります。
項目名の一覧を作るために、「項目を編集」でダイアログを開いて、コピー&ペーストで取り出すのですが、 列挙体がいくつもあったり、項目数が多いと面倒な作業です。
そこで、一覧を作るVIを作成しました。
このVIのフロントパネルに列挙体の制御器を貼り付けます。
また、ブロックダイアグラムに列挙体の定数を貼り付けます。
実行すると、貼り付けた列挙体の一覧が"List"に表示されます。
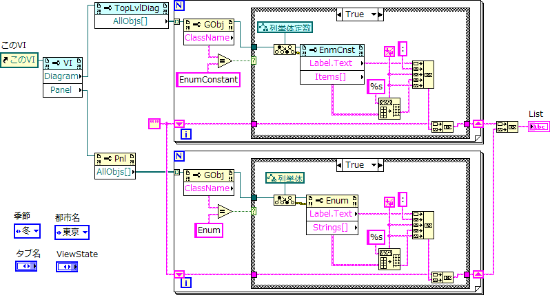
このViのリファレンスから、フロントパネルとブロックダイアグラム上にあるオブジェクトの一覧を取得します。
その一覧から、クラス名を用いて列挙体を選び出します。
各列挙体の名称と、項目名を連結して、リストを作ります。
