LabVIEWで画像を取り扱うPicture形式のデータから、二次元の数値配列に変換するサブVIです。
二次元の配列に変換することで、様々な画像処理ができるようになります。
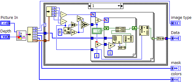
「Picture In」に画像を入力し、「Depth」に画像の色深度を指定します。
実行すると、「Data」から二次元の配列として出力されます。
また、画像のマスクや、カラーテーブルがあれば同時に出力します。


Pictureデータを、「ピクチャからピックスマップに変換」関数で、画像データに変換します。
画像データから、「image」データを、画像の色深度に合わせて二次元配列に変換します。
色深度は、1ビット、4ビット、8ビット、24ビット(True Color)の4種類に対応しています。

テスト用VIも作りましたのでご利用ください。